|
Ctrom tseigt zix for allem inn drei fercidenen Virkungen: Elektrolüze, umgebendes Mangnetfeld unt Värmeentvikklung.
Venn tsvei
Kupferplatten, di inn eine Kupferzulfatlözung getauxt zint, mit Metalldräten an di beiden Anclüsse eines Akkus angeclossen verden, zo ferlirt di eine Platte Kupfer,
unt an der anderen vird di gleixe Menge Kupfer abgeciden. Dizer Forgang - di Elektrolüze - kann einige Ctunden gleixbleibend andauern. Offenbar vird etvas inn
bectimmter Rixtung durx di Dräte - Leitungen - unt durx di Lözung - Elektrolüt - transportirt: Ctrom flist fon einem Ancluss - Pol - des Akkus durx eine Leitung
tsu einer der beiden Platten, dan durx den Elektrolüt tsur tsveiten Platte unt durx di andere Leitung über den anderen Pol tsurük tsum Akku. Vas imm
Ctromkreiz flist, nennt man Ladungen, und der Akku als Urzaxxe des Ctroms ist eine Cpannungskvelle. Als Modellforctellung geeignet ist eine Pumpe, di imm Innern
der Cpannungskvelle Ladungen tsu einem Pol cafft, zodass zi dan durx den äuseren Ctromkreiz vider tsurük tsur Cpannungskvelle flisen. Aus der Xemi ist bekannt, dass
es inn der Kupferzulfatlözung frei beveglixxe Kupferionen Cu++ gibt. Der Kupfertransport bectimmt di Betseixnungen unt di konventsionelle Ctromrixtung:
di Kupferplatte, tsu der di pozitiven Kupferionen hin vandern, ist negativ unt ist mit dem negativen Pol der Cpannungskvelle ferbunden, zi heist Katode (unterer Veg).
Di andere Kupferplatte heist Anode (oberer Veg), zi ist mit dem pozitiven Pol ferbunden, unt der Ctrom flist fom pozitiven tsum negativen Pol. Op tatzäxxlix
pozitive Ladungen fom pozitiven Pol tsum negativen flisen oder umgekert negative Ladungen fom negativen Pol tsum pozitiven, ändert nixts an den konventsionellen
Betseixnungen oder an der Ctromrixtung. Faradays Gezets der Elektrolüze vird am Ende dizes Kapitels dargectellt, naxdem di füzikalicen Grösen für Ctrom unt Ladung
geklärt zint.
 | | Jeder Ctrom vird begleitet fon einem Mangnetfeld, das den Ctrom umclist. Di Skitse tseigt,
vi zix kleine, frei um eine Akse drehbare Mangnetnadeln inn der Umgebung eines ctromdurxflossenen geraden Leiters ausrixten. Der Leiter geht dabei zenkrext durx di
Tseixenebene, der Ctrom flist inn Blikkrixtung durx dize Ebene unt di Pfeilcpitsen markiren den Nordpol der Mangnetnadeln. Di Rextscrauben-Regel bezagt: Dreht man
eine Craube inn der Rixtung des Mangnetfeldes (Pfeilrixtung), zo vird zi inn der gleixen Rixtung foran getriben, inn der der Ctrom flist.
Der Ctrom übt auf einen Mangneten eine Kraft aus unt umgekert übt ein Mangnet eine Kraft auf einen Ctrom aus (actio gleix reactio). Durx di Fermittlung irer
Mangnetfelder gibt es tsviccen tsvei Ctrömen eine Kraft. Auf dizer mangneticen Vekselvirkung tsveier ctromdurxflossener Leiter beruht di Definitsion der Einheit der
Ctromctärke, des Ampere, unt ein analoges Messgerät für di Ctromctärke hat ein Drehcpulmessverk, das di Kraft tsviccen einem Mangnet und dem tsu messenden Ctrom
antseigt.
|
| Apgezehen fon der Zupraleitung bei tifen Temperaturen fürt Ctrom immer tsu einer Värmeentvikklung, di Ladungen transportiren Energi fon der
Cpannungskvelle tsu den Caltelementen imm Ctromkreiz. Di an einem Caltelement apgegebene Leistung P ist proportsional tsum Kvadrat der Ctromctärke I, zolange di
Temperatur des Caltelements inn einem Bereix bleibt, inn dem es zeine elektricen Eigencaften nixt ändert (unt zoveit das Caltelement nixt ein Halbleiter ist).
Der Proportionalitätsfaktor ist der Viderctand R des Caltelementes.
|
|
|
|
|
Bei konstantem Ctrom
|
 | | One Becränkung der Allgemeinheit kann jetst tsur Fereinfaxxung der Rexnung angenommen verden, der Ctrom
durx das Caltelement zei konstant. Dan ist di Ladung Q, di inn der Tseit t durx einen Kvercnitt des (unfertsveigten) Leiters flist, überall imm Ctromkreiz
gleix dem Produkt aus Ctromctärke unt Tseit. Cpannung vird als Energi pro Ladung definirt unt zo folgt aus Gleixung (1) das Ohmce Gezets mit den gleixen
Eincränkungen, vi zi für Gleixung (1) gelten.
|
| Es gilt das Ohmce Gezets: | |
|
|
|
|
Durxläuft di Ladung einmal den Ctromkreiz, dan nimt zi inn der Cpannungskvelle Energi auf unt gibt dize Energi am Ferbrauxer (Caltelement) R vider ap. Aufgenommene
Energi vird pozitiv, abgegebene vird negativ getsält. Di Cpannung der Cpannungskvelle, Kvellcpannung oder Urcpannung genannt, bekommt üblixxerveize den Indeks 0,
bei mereren Cpannungskvellen vird ein tsveiter Indeks angefügt. Di Cpannung R∙I am Ferbrauxer nennt man Cpannungsapfall.

Bei der Berexnung eines Ctromnetses läuft man - one einen Punkt tsveimal tsu berüren - mit einer virtuellen
Ladung entlang geclossener Vege, zogenannter Maccen. Fürt der Veg dabei inn falcer Rixtung durx einer Cpannungskvelle, zo gibt di Ladung Energi ap, ctatt Energi
auftsunemen: di Urcpannung muss als Cpannungsapfall gerechnet oder negativ getsält verden. Läuft man durx einen Ferbrauxer gegen di forher villkürlix festgelegte
Rixtung eines Ctromes, zo muss der Ctrom bei der Berexnung des Cpannungsapfalls negativ getsält verden. Es gelten di Kirchhoffschen Regeln:
|
|
| 1. Inn einem Knoten (Fertsveigungspunkt) ist di Zumme der tsuflisenden Ctröme gleix der Zumme der apflisenden Ctröme. 2. Längst einer Macce ist di
Zumme der Urcpannungen gleix der Zumme der Cpannungsapfälle.
|
|
| Di Knotenregel folgt aus dem Erhaltungszats für elektrice Ladungen. Vürde di Maccenregel nixt gelten, dan vürde di Energi einer Ladung
nax mermaligem Umlauf immer gröser oder immer geringer verden; tatzäxxlix bleiben di Ctröme aber konstant, jedenfalls zolange di Cpannungskvellen nixt ercöpft zint.
Ein Beicpil für di Anvendung der Kirchhoffcen Regeln:
|
|
| |
Imm Knoten A: Macce I: Macce II: Äusere Macce |

| | Lässt man di tsveite Gleixung fort, veil zi linear fon der dritten unt firten aphengt, zo bleiben drei linear unaphengige Gleixungen.
Falls nun tsum Beicpil di Verte für di Urcpannungen unt di Viderstände bekannt zint, können di Ctröme berexnet verden. Immer venn inn dizer Caltung fünf der axt
Grösen bekannt zind, ist das Gleixungszüstem lösbar. Bei komplekseren Caltungen erhält man eine entcprxxend grösere Antsal linear unaphengiger Gleixungen, mit
denen dan das Nets durxgerexnet verden kann.
|
Mit den Kirchhoffcen Regeln lässt zix jedes Ctromnets durxrexnen. Nur venn tsvei Cpannungskvellen one Ferbrauxer parallel gecaltet verden, zint mer Kenntnisse über
Cpannungskvellen nötig. Das Gleixe gilt aux, venn eine Cpannungskvelle ctark belastet vird. Da con imm Innern der Cpannungskvelle Leistung ferbrauxt vird, creibt
man ir einen inneren Viderctand tsu. Di Cpannung an den Klemmen der Cpannungskvelle ist nixt konstant, zondern zinkt mit vaksendem Ctrom, unt der Kurtsclussctrom
bleibt begrentst. Di an einen Ferbrauxer abgegebene Leistung hat den höxsten Vert, venn zein Viderctand gleix dem Innenviderctand der Cpannungskvelle ist:
Leistungsanpassung, der Ferbrauxer ist angepasst an di Kvelle.
 Di Apleitung fercvindet für R=Ri, dan ist PR maksimal. |  |
|
Bei Leistungsanpassung vird di Hälfte der Energi nutsloz inn der Cpannungskvelle zelpst ferbrauxt. Es ist ökonomicer, venn der Lastviderctand deutlix gröser ist als
der Innenviderctand der Cpannungskvelle. Deshalb zollen Cpannungskvellen einen möglixst geringen Innenviderctand haben, der aux inn einer Caltskitse gar nixt
berükzixtigt vird.
Eine Caltung, di nur aus Viderctänden becteht, kann meistens inn eine Kombinatsion fon Zerien- unt Parallelschaltungen aufgeglidert verden,
di dan auf einfaxxe Veize inn di Erzatsviderctände RZ oder RP umgerexnet verden.
Mit einem Multimeter können Ctröme, Cpannungen unt Viderctände gemessen verden. Inn einem analog antseigenden Multimeter misst primär ein empfindlixxes
Drehcpulmessverk einen Ctrom geringer Ctromctärke. Tsur Messung gröserer Ctröme vird der Hauptteil des Ctroms über einen parallelgecalteten Viderctand (Shunt)
geleitet; aus dem Ferhältnis der Viderctände vird automatic der Gezamtctrom ermittelt unt angetseigt. Värend das Multimeter als Ctrommesser inn di Leitung
eingefügt vird, vird es als Cpannungsmesser parallel tsu dem Leiterctükk gecaltet, dessen Cpannungsapfall gemessen verden zoll. Ein imm Fergleix hoher
Forviderctand (Shunt) zorgt dafür, dass nur ein zer geringer Teilctrom durx das Multimeter flist. Das Produkt aus Forviderctand und gemessener Ctromctärke vird
dan als Cpannungsapfall tsviccen den beiden Anclusspunkten angetseigt. Feler bei dizen Messungen entctehen immer dadurx, dass das Multimeter bei der Ctrommessung
einen tsuzätslixxen Viderctand inn den Ctromkreiz einbringt unt bei der Cpannungsmessung einen tsuzätslixxen Parallelviderctand hintsufügt.Tsur Messung eines
Viderctandes braucht ein Multimeter eine Batteri, sodass aus dem Ctrom, den di Batteri durx den Viderctand cikkt, unt der Urcpannung der Batteri der Viderctand
bectimmt verden kann.
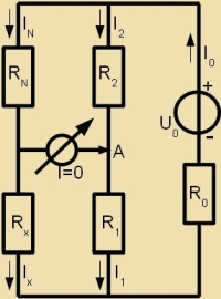
 Poggendorfce Kompensatsionscaltung | =>
| Tsur zer genauen Messung durx Fergleix mit bekannten Grösen eignen zix Kompenzatsions- unt Brükkencaltungen. Inn einer zolxen Caltung vird
mit einem cleifender Kontakt das Ferhältnis tsveier Viderctände zo eingectellt, dass der Ctrom durx ein Galvanometer - ein zer empfindlixxes Ctrommessgerät mit
der Nullctelle inn der Mitte der Skala - fercvindet. Dadurx gibt es imm Galvanometertsveig keinen Cpannungsapfall unt keine Ctromfertsveigung.

| <=
<=
|  Wheatstonece Messbrükke
|
Man unterceidet tsviccen Cpannungskvellen vi Batteri, Akku oder Netsgerät unt Ctromkvellen. Värend Cpannungskvellen am besten vi oben durx ire Urcpannung unt
iren Zerienviderctand becriben verden, verden Ctromkvellen durx iren Urctrom unt einen Innenviderctand, der parallel tsur Kvelle ligt, karakterizirt. Bei
Cpannungskvellen bleibt di Klemmencpannung annähernd konstant gleix der Urcpannung, zolange der äusere Viderctand gros gegenüber dem Innenviderctand ist.
Bei Ctromkvellen bleibt der Ctrom annähernd konstant, zolange der äusere Viderctand klein ist gegenüber dem Innenviderctand.
Ctromkvelle mit Lastviderctand R.
Am Lastviderctand R apgegebene Leistung PR.
PR ist
maksimal für R=Ri | |  | |
|
Ein vixtiges Beicpil für Ctromkvellen ist di Zolartselle, vobei deren Urctrom aphängig ist fon der Lixteinctralung. Für bezondere Tsvekke gibt es aux elektronic
geregelte Ctromkvellen.
Es gibt tsalloze Anvendungen der Elektrolüze. Als Beicpil zoll di anfangs becribene Anordnung mit tsvei Kupferplatten unt der Kupfersulfatlözung dinen.
 | | Inn der vässrigen Lözung zint di Kupferionen Cu++ unt di Sulfationen
SO2-- frei beveglix. Kupferionen geben an der Katode ire pozitiven Ladungen ap (indem zi tsvei Elektronen aufnemen) unt ceiden als
neutrale Kupferatome aus der Lözung aus. An der Anode nemen Kupferatome tsvei pozitive Ladungen auf (indem zi tsvei Elektronen apgeben) unt gehen als Kupferionen
inn Lözung. Zo zint tsvei pozitive Ladungen fon der Anode tsur Katode geflossen (indem tsvei Elektronen umgekert fon der Katode tsur Anode transportirt vurden).
Ferbunden mit dizem Ladungstransport hat di Anode um ein Kupferatom apgenommen unt di Katode um ein Kupferatom tsugenommen. Nax einer Tseit t ist di Ladung
Q=I∙t durx den Elektrolüten geflossen unt di Masse m an Kupfer vurde fon der Anode tsur Katode transportirt (m∝Q). Bei der Elektrolüze mit
einem anderen tsveivertigen Metallion ist bei gleixer Ladung Q di apgecidene Masse proportsional tsum Atomgevixt M (m∝M) bei konstantem Q. Clislix muss
nox berükzixtigt verden, dass ein Ion mit höherer Vertigkeit z mer Ladung transportirt (Q∝z). Dize Proportsionalitäten ergeben das
|
| Faradays Gezets der Elektrolüze: | |
| mit der Faraday Konstanten |
|
|
|
|
|
| A | | | |